首先拆卸羅茨鼓風機時要清楚三葉羅茨鼓風機結構的進、出通風風管與機體連接螺栓,取出進、出通風風管,然后按以下順序取出安全性罩和三角皮帶或彈性聯軸器螺栓;拆下來上一部分外殼與隔板;拆下來減速箱頂蓋;拆下來偏心輪外端滾動軸承蓋和上下密封性體里蓋;用吊裝小工具吊出積極轉子和從動轉子;取出三角皮帶輪或連軸器;拆卸推力球軸承箱并取出滾動軸承;拆下來傳動齒輪背帽取出傳動齒輪;將轉子從軸上拆下來;最終拆卸上下密封性設備座和下邊隔板。
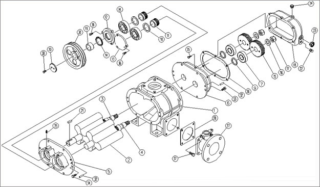
下圖是羅茨鼓風機結構圖:

三葉羅茨風機廠家風機葉輪的拆卸,通常可按以下程序流程開進行:
首先拆卸出入羅茨風機通風風管與機體連接螺栓,取出進出口貿易通風風管;拆卸安全性罩,取出彈性聯軸器螺栓;吊出齒輪減速機并拆卸機殼;拆下來傳動齒輪;松掉前側減速箱罩取出傳動齒輪;松掉兩邊風翼蓋螺栓,吊出兩邊風翼蓋;松掉檔風板上不擰緊螺栓,并吊出風淋翼及阻風翼;最終從兩軸上取下風淋翼與阻風翼。

羅茨鼓風機生產廠家提醒大家在拆卸維修風機時,應注意以下事宜:
1、拆卸風機前,應掌握風機的結構和特性,關鍵零部件的構造。從拆卸到安裝,需有一位明白風機安裝的專職人員承擔。
2、拆卸零部件時,非常是高精密的關鍵零部件,應各自加上字頭或做出標識,以防安裝時產生不正確。
3、依據零部件的特性,采用適度的小工具開展拆卸。
4、卸下來的零部件,應排序齊整,歸類放置,以防安裝時拿取不便或產生紊亂。
5、拆卸外殼的融合面,應輕輕地的撬起,避免毀壞融合面而導致外殼漏汽。
6、拆卸風機時,解決設備內部的空隙開展細膩精確測量,如轉子與轉子中間的空隙,轉子與外殼中間的空隙,并應記入安裝記錄簿內,為之后的安裝維修出示靠譜統計數據。
7、拆卸各融合表面的墊塊,應細心開展,盡可能不毀壞,并應精確測量其厚度,記于安裝記錄簿內,有利于之后安裝時,有初始根據。

經常檢查三葉羅茨鼓風機軸承潤滑油供油狀況,假如殼體出現滲油,能夠把軸承端蓋的螺栓扭緊一點兒,那樣還不好得話,將會只能改用新的密封性填充料了。